
■ 步距精度(Step Accuracy) ±5%
■ 温 升(Temperature Rise) 75℃ Max
■ 环境温度(Ambient Temperature Range) -45℃~+105℃
■ 绝缘等级(Insulation Class) B
■ 绝缘电阻(Insulation Resistance) 500VDC 100MΩ Min
■ 绝缘强度(Dielectric Strength) 500VAC 50Hz 1Ma Minute
■ 径向跳动(radial runout) 0.02mmMax(450g 负载)
■ 轴向间隙(axial clearance) 0.08mmMax(450g 负载)
型号 指标 | Rzt1360 | 单位 |
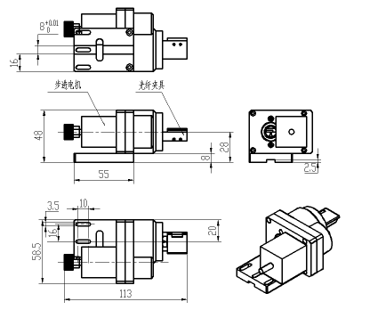
产品结构尺寸 | ![]() | |
外型图 |
| |
******转角 | 360 | º(度) |
电机类型 | 步进电机(1.8º) | |
齿轮传动类型 | 斜齿 | |
传动比 | 步进电机输入:光纤轴输出 = 2.083 : 1 | |
分辨率 | 0.0067(驱动器128细分) | º(度) |
重复定位精度 | 0.005 | º(度) |
机重 | 0.25 | kg |
材料 | 铝合金/锡青铜/尼龙 | |
可更换光纤夹具头 | φ120μm可选(φ900μm、φ650μm、φ250μm、φ120μm、等) | |
******负载 | 0.5 | kg |
工作温度范围 | -20~+80 | ºC |
产品编号:28BYG3401 | ||||||||||||||||||||||||||||||||||||
| ■ 步距精度(Step Accuracy) ±5% ■ 温 升(Temperature Rise) 75℃ Max ■ 环境温度(Ambient Temperature Range) -45℃~+105℃ ■ 绝缘等级(Insulation Class) B ■ 绝缘电阻(Insulation Resistance) 500VDC 100MΩ Min ■ 绝缘强度(Dielectric Strength) 500VAC 50Hz 1Ma Minute ■ 径向跳动(radial runout) 0.02mmMax(450g 负载) ■ 轴向间隙(axial clearance) 0.08mmMax(450g 负载) | |||||||||||||||||||||||||||||||||||
型号 Model | 步距角 Step Angle (O) | 机身长 Length L(mm) | 额定电流 Current (A/phase) | 相电阻 Resistance (Ω/phase) | 相电感 Inductance (mH/phase) | 保持转矩 Holding torque (N.cm) | 转动惯量 Rotor inertia (g.cm2) | 重量 Weight (kg) | ||||||||||||||||||||||||||||
28BYG3401 | 1.8 | 33 | 0.6 | 5.5 | 3.2 | 0.4 | 8 | 0.11 | ||||||||||||||||||||||||||||
| ||||||||||||||||||||||||||||||||||||
接线图(Connections)A+/A-/B+/B-(选四线接线方法) | ||||||||||||||||||||||||||||||||||||
| ||||||||||||||||||||||||||||||||||||
力矩测试数据(仅供参考) | ||||||||||||||||||||||||||||||||||||
| ||||||||||||||||||||||||||||||||||||
注意: ◆ 步进电机力矩测试数据与驱动器型号、参数设置、驱动器供电电压密切相关;同规格步进电机因定转子间隙不同,饶线方式不同,其矩频特性也不同。 ◆ 电机安装前务必用电机前端盖安装止口定位,并注意公差配合,严格保证电机轴与负载轴的同心度,不同心会导致断轴。 ◆ 电机与负载连接时,严禁敲击,电机轴与轴承受敲击后可能影响电机性能,甚至损坏。 ◆ 电机与驱动器连接时,请勿接错相,错相或缺相时电机不能正常运转,可能损伤步进电机驱动器。 ◆ 无电机接线图时,用万用表测量,电机线两两相通,分别接A+A-、B+B-。无万用表时,挑两根电机线短接,若电机轴旋转阻力增大,则这两根线是一组线圈。电机旋转初始方向与所需方向相反时,把A+A-两线换位即可。 | ||||||||||||||||||||||||||||||||||||







驱动电流为0.45A ******0.6A(电机热量很大)
